Sistema reductor de la concentración de CO2 en ambientes cerrados (R.E.C.O.2).
Sector de la técnica
La invención se encuadra en el sector técnico de procesos de control de gas, más concretamente en el relativo a los sistemas de mantenimiento de gases en valores constantes.
Estado de la técnica
Uno de los temas más importantes en los últimos años en el ámbito científico es el relativo a las modificaciones que sufren los ecosistemas ante el cambio climático producido por el aumento del CO2 en la atmósfera. Para el estudio de dichas modificaciones pueden utilizarse cámaras de simulación en las cuáles se regulan las concentraciones de CO2 para la simulación de ecosistemas simples para concentraciones específicas. Los mecanismos tradicionales de reducción de Dióxido de carbono están basados principalmente en filtros de carbono, burbujeo de aire en soluciones acuosas y arrastre de aire que eliminan el dióxido de carbono. Los dos primeros son lentos y el segundo está condicionado por la calidad y concentración de CO2 que tenga el origen del arrastre de aire. En la totalidad de los mecanismos estudiados la monitorización y modificación de la concentración de CO2 está realizada en función del volumen del mismo en relación con el volumen total de gas presente en el ambiente. Sin embargo la literatura científica, referencia todas las medidas de concentración de CO2 en la atmósfera en partes por millón siendo ésta una medida mucho más exacta de la concentración que la volumétrica la cual está sujeta a variaciones en función de la temperatura y la humedad relativa.
Sería por lo tanto deseable obtener un sistema de reducción del CO2 controlando su concentración en medidas de Partes por millón, esto es, en una concentración más objetiva y detallada que la volumétrica, que pudiera realizarse con variaciones de concentración muy pequeñas, permitiendo que la precisión de medida y modificación del ambiente fuese lo suficientemente grande como para mantener una concentración de 350 a 700 partes por millón de CO2 en el ambiente.
Para ello, la presente invención se centra en la eliminación de CO2, en un ambiente con una concentración de CO2 ambiental normal, a los parámetros de estudio con una técnica no intrusiva de gases foráneos al los del propio ambiente en estudio y con modificaciones muy pequeñas en la concentración.
Descripción detallada de la invención
La presente invención se refiere a un nuevo sistema de reducción de CO2 ambiental para su utilización en ambientes cerrados y controlados a nivel de intercambio de gases con el exterior.
El nuevo sistema de reducción de CO2 ambiental está compuesto de un sistema de impulsión de aire que tras pasar por una trampa de agua y dos sistemas de cierre estanco mediante electro-válvulas hace circular el aire a través de un producto químico que adsorbe el CO2 del aire impulsado.
El caudal del aire puede ser regulado en función de la velocidad a la que se desee que se produzca la reducción de la concentración de CO2. Con el objeto de que el producto químico que adsorbe el CO2 no esté en contacto continuo con el aire del ambiente, las dos electro-válvulas se encuentran cerradas excepto si se activa el sistema de impulsión de aire.
Modos de realización de la invención
El sistema reductor de la concentración de CO2 en ambientes cerrados (R.E.C.O.2) se ilustra adicionalmente mediante los siguientes ejemplos, los cuales no pretenden ser limitativos de su alcance.
Ejemplo 1
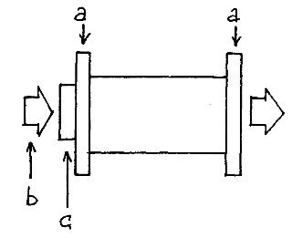
La invención está compuesta de una parte central formada por un cilindro hueco de cristal de 3,2 centímetros de diámetro, que contiene el compuesto químico que fija el CO2 del aire que pasa por el cilindro.
En cada extremo el cilindro está adosado un mecanismo electrónico de paso con un sistema impulsor de aire (a) que cumple la función de responder a la señal de activación - por medio de un interruptor - provocando una corriente de aire (b) que pasa a través del cilindro fijando el CO2 del aire y saliendo por el otro extremo con una proporción de CO2 menor.
En la entrada de aire se coloca una trampa de agua (c) que elimina humedad del aire que entra al cilindro de cristal.
Descripción de las figuras
El cilindro de vidrio va unido a los sistemas impulsores de aire con sus correspondientes electro-válvulas de paso (a) mediante tubos de rosca y en el mismo se colocan filtros de malla de 1 mm para evitar la entrada de impurezas en el interior del cilindro de vidrio.
Cada uno de los impulsores de aire consta de un ventilador que se direcciona para la consecución de un flujo de aire constante a través del cilindro y que se activa al mismo tiempo que las electro-válvulas mediante una señal eléctrica de control.
La trampa de agua (c) consta de un sistema de absorción de humedad y está unido al sistema de impulsión de forma que no exista intercambio de aire con el ambiente si no están abiertas las electro-válvulas de paso (a).